НАЗНАЧЕНИЕ РЕЛЕ
Фотореле ФР-М02 предназначено для автоматического включения и отключения освещения улиц, витрин магазинов, торговых залов, реклам, автостоянок и т.п. в зависимости от установленного порога уровня освещённости. Контроль уровня освещённости осуществляется выносным фотодатчиком ФД-3-1, поставляемым в зависимости от комплектации.
Реле имеет режим "умного отключения" ("smart off"). В этом режиме потребитель может сам задать время включённого освещения или рекламы после наступления сумерек в интервале от 30 минут до 7 часов. В вечернее или ночное время реле включит освещение или рекламу и через заданное время выключит. Реле позволяет значительно сэкономить на потребляемой электроэнергии.

Реле может быть использовано для управления маяками. При наличии дистанционного канала управления (радио канал и т.п.) можно осуществлять одновременную дистанционную настройку момента включения нескольких маяков. При поступлении команды по каналу управления, реле «запомнит» уровень освещённости в данный момент. В дальнейшем все включения маяков будут происходить именно при такой освещённости.
Управление системой автоматического полива. Реле включает полив и через заданное время выключает его без участия человека (например, на даче, при отсутствии человека).
С помощью реле можно управлять уличным, лестничным освещением, включать подогрев теплиц, световую рекламу, блокировать электрозамки на ночь и т.д. Используя режим "умного отключения" ("smart off") можно продлевать «световой день» на птицефермах, в теплицах и т.д.
Технические характеристики:
- Напряжение питания - АСDC24/АC230В ± 10%;
- Уровень освещенности - настраиваемый методом обучения - 0,1-500 лк.;
- Длительность задержки на включение - 5с, 10с, 15с, 20с, 30с, 40с, 1мин, 3мин, 5мин, 10мин;
- Длительность задержки отключения встроенного таймера - ∞, 0,5, 1, 1,5, 2, 2,5, 3, 5, 7ч;
- Максимальное коммутируемое напряжение - 400 В (AC1/5А);
- Максимальный коммутируемый ток: АС250В 50Гц (АС1)/DC30В (DC1) - 16 А;
- Максимальная коммутируемая мощность АС250В 50Гц (АС1)/DC30В (DC1) - 4000/480 ВА/Вт;
- Количество и тип контактов - 1 переключающая группа;
- Диапазон рабочих температур - -25...+55Со (УХЛ4);
- Автоматическое включение и отключение освещения;
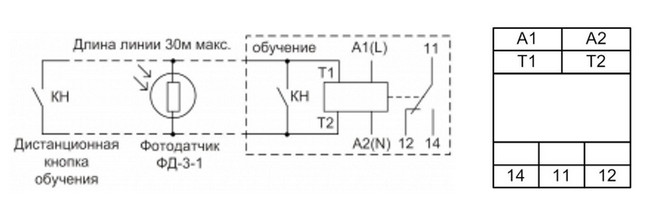
- Авто настройка порога срабатывания по освещённости (кнопкой обучение);
- Возможность дистанционной настройки с помощью выносной кнопки;
- Встроенный таймер отключения нагрузки через заданное время от 0,5 до 7 часов;
- Широкий диапазон срабатывания по уровню освещённости (0,1-500лк) ;
- Выносной фотодатчик с защитным корпусом для монтажа на стену;
- Настраиваемая задержка срабатывания выходного реле от 5с до 10мин -10 положений;
- Корпус шириной 18мм.
ДИАГРАММА РАБОТЫ РЕЛЕ

СХЕМА ПОДКЛЮЧЕНИЯ РЕЛЕ


