
Реле импульсное BIS-410i предназначено для включения/выключения освещения, электроустановок и т.п. из нескольких мест при помощи параллельно соединенных кнопок. Управление состоянием реле осуществляется по двухпроводной линии путем нажатия любой кнопки.
Область применения
Освещение проходных помещений: длинных коридоров, лестничных маршей и т.д. (включение на входе, выключение на выходе).
Технические характеристики:
- Напряжение питания - 100-265 В AC, 50 Гц;
- Максимальный коммутируемый ток (AC1) - 16 А (160А/20мс);
- Контакт - 1NO;
- Ток управляющего контакта, - 5 мА;
- Задержка включения - 0,1-0,2 сек.;
- Задержка отключения (регулируемая) - 1-15 мин;
- Диапазон рабочих температур - от -25°С до +50°С;
- Потребляемая мощность - 0,8Вт;
- Степень защиты - IP 20.
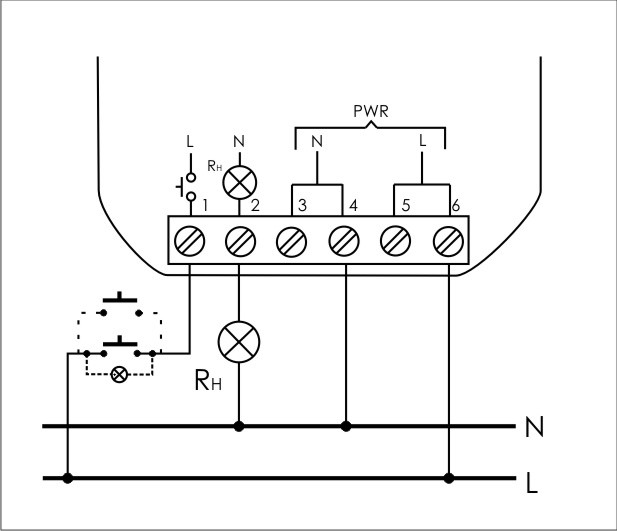
Схема подключения


