Назначение
Реле AZD предназначено для непрерывного контроля токов в цепях питания 3-х фазных электроустановок (ЭУ) переменного тока промышленной частоты 50 Гц напряжением 3x400/230В+N (асинхронных электродвигателей, трансформаторов и другого электрооборудования) и защитного отключения нагрузки при возникновении аварийных режимов, с целью повышения надёжности их работы и увеличения срока службы.

Технические характеристики:
- Напряжение питания - 3×400/230 + N, 50 Гц;
- Максимальный коммутируемый ток(AC1) - 8 А;
- Максимальный ток катушки контактора - 2 А;
- Контакт - 1NO/NC;
- Диапазон контролируемых токов:
- исполнение 1: 10-59,5 А,
- исполнение 2: 1-5,5 А;
- Максимальное напряжение контактов реле - 400 В AC;
- Задержка отключения при обрыве фазы, не более - 1 с;
- Задержка отключения при нарушении чередования фаз, не более - 0,1 с;
- Задержка повторного включения - 2-240 c;
- Максимальны диаметр кабеля - 12 мм;
- Диапазон рабочих температур - -25℃ - +50℃;
- Габариты - 105x90x65 мм;
- Монтаж - на DIN -рейке 35;
- Степень защиты - IP 20.
Принцип работы
Реле AZD осуществляет непрерывный контроль токов в трех фазах обслуживаемой электроустановки и при выявлении аварийных режимов отключает ее. Отключение, с одновременным отображением типа аварии соответствующим ему индикатором, происходит в следующих аварийных ситуациях:
- перегрузка по току недопустимой продолжительности – поломка или заклинивание приводных механизмов, разрушение подшипников и пр.;
- недопустимое снижение нагрузки – поломка приводных механизмов, сухой ход насоса и т.п.;
- при обрыве любой фазы;
- при недопустимой асимметрии токов;
- при работе на пониженном или повышенном напряжении;
- при перегреве ЭУ;
- при недопустимой асимметрии фазных напряжений;
- при коротком замыкании.
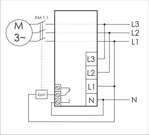
Типовая схема подключения для защиты ЭУ (Исп. 1, Исп. 2)

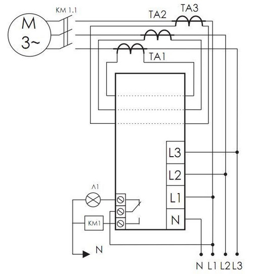
Схема подключения для защиты ЭУ с рабочим током выше 5,5А (Исп. 1)


