Назначение
Реле AZD-1 предназначено для непрерывного контроля тока в цепи питания однофазных электроустановок (ЭУ) переменного тока и защитного отключения нагрузки при возникновении аварийных режимов, с целью повышения надёжности их работы и увеличения срока службы.

Технические характеристики:
- Напряжение питания - 50-450В+N, 50 Гц;
- Максимальный коммутируемый ток(AC1) - 8 А;
- Максимальный ток катушки контактора - 2 А;
- Контакт - 1NO/NC;
- Диапазон контролируемых токов - 2,5−27,5 А;
- Максимальное напряжение контактов реле - 400 В AC;
- Верхний порог напряжения - 260 В;
- Задержка отключения при превышении напряжения - 0,5 с;
- Нижний порог напряжения - 160 В;
- Задержка отключения при превышении напряжения - 5 с;
- Задержка отключения при перегрузке по току - токовременная характеристика;
- Задержка повторного включения - 2-600 с;
- Максимальны диаметр кабеля - 12 мм;
- Диапазон рабочих температур - -25℃ - +50℃;
- Габариты - 70×90×65 мм;
- Монтаж - на DIN -рейке 35;
- Степень защиты - IP 20.
Принцип работы
Реле AZD осуществляет непрерывный контроль тока в однофазной обслуживаемой электроустановке и при выявлении аварийных режимов отключает ее. Отключение, с одновременным отображением типа аварии соответствующим ему индикатором, происходит в следующих аварийных ситуациях:
- перегрузка по току недопустимой продолжительности – поломка или заклинивание приводных механизмов, разрушение подшипников и пр.;
- недопустимое снижение нагрузки – поломка приводных механизмов, сухой ход насоса и т.п.;
- при работе на пониженном или повышенном напряжении;
- при перегреве ЭУ;
- при коротком замыкании.
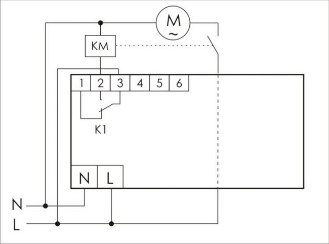
Типовая схема подключения для защиты ЭУ


